变位机系列
双轴变位机

销售热线: 0512-57328118

产品概述
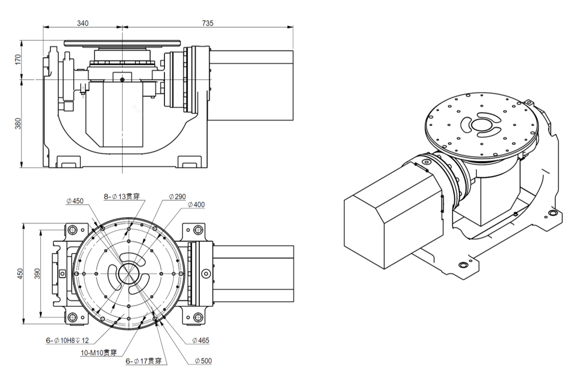
技术参数

项目

参数

变位机轴数

2轴(翻转轴、回转轴)

动作范围

翻转轴

270º(-135º~+135º)

回转轴

480º(-240º~+240º)

最大动作速度

翻转轴

140º/SEC

回转轴

115º/SEC

最大负荷

500kg

工作台面尺寸

ø500mm

最大重心距

350mm

启动、停止时的     容许转矩

翻转轴

3920Nm

回转轴

3000Nm

减速比

翻转轴

129

回转轴

156

质量

345kg

重复定位精度

0.1mm

image.png

相关标签:自动化焊接

上一篇:没有了
下一篇:变位机系列