送丝厚壁管焊系统
MIGTRACK60焊接小车系统

销售热线: 0512-57328118

产品概述

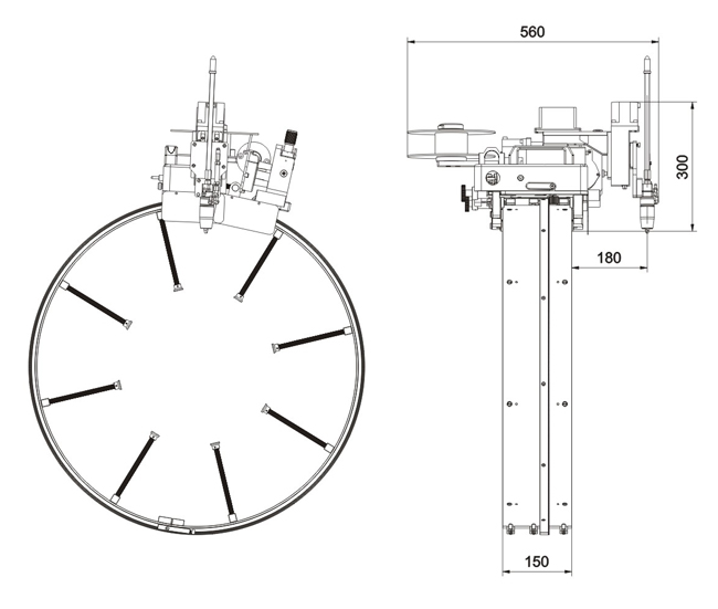
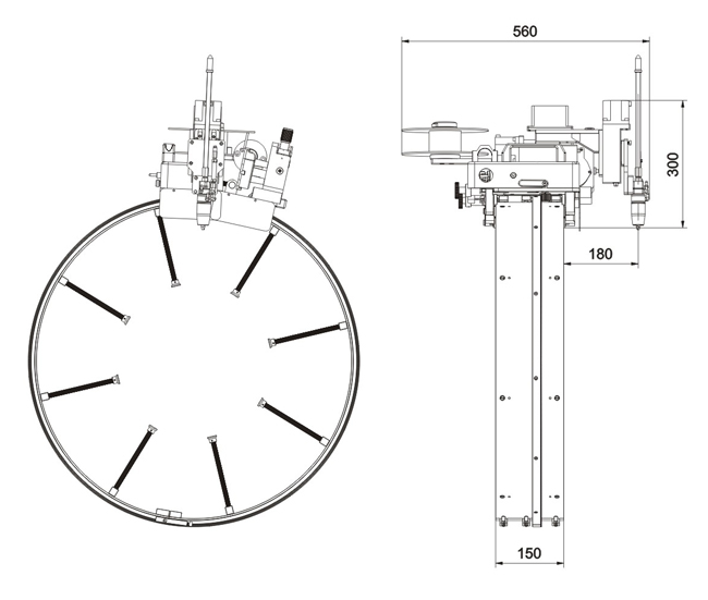
   该系统是专为超大管径的管管MIG焊接而设计的专用小车,需选配相应的齿圈可对大于φ300mm的管子进行焊接,可以实现打底焊接、填充焊接、盖面焊接。专配为管道焊接设计的电源,特别适合工程液化气管道安装,石油管道安装以及工厂预制。

性能特点

  齿轮传动模式、旋转速度稳定可靠;
  独特的MAG焊双向打底焊接工艺,较大程度满足复杂多变的工况条件;
  采用双水冷冷却方式,便于大管径、大壁厚填充盖面焊接工艺使用;
  一体式送丝系统结构设计,保证送丝平稳; 
  可选配不同的导圈,完成各种不同管径的工件焊接;
 

技术参数

管子外径(mm)

300-1500(12″~60″)

焊炬旋转速度mm/min

40~500

横摆宽度mm

50

弧长高度mm

50

焊炬冷却方式

循环水冷

接头形式

直管对接、管弯头对接

 技术参数


相关标签:管板焊接系统