管板焊接系统
TP040全位置管板焊枪

销售热线: 0512-57328118

产品概述

 该焊枪是专为管子/管枪全自动TIG焊接设计的,适用于一般管板形式的自动化焊接。可焊接碳钢、不锈钢等各种管子/管板接头型式,主要是管平齐、不填丝,可实现全位置TIG管/板焊接,达到理想的焊接效果,重现性高。可与iOrbital2000、iOrbital3600、iOrbital5000程控焊接电源配套使用,主要应用于化工、食品、医药、各种换热器、电厂、军工和核电等行业。

性能特点

 适用于电站、冷凝器不锈钢、钛合金管板焊接;

 不送丝自溶,体积小,重量轻,方便操作;

 胀芯式定位,焊枪倾附工件设计,定位准确,安全可靠,方便快捷;

 封闭式焊接,确保获得优质的焊缝;

 无缠绕,水电气设计,增强型水冷系统,暂截率高,持续工作时间长。


技术参数

可焊材质

碳钢、不锈钢、钛合金

可焊管径(mm)

Φ16-Φ38(5/8″-1 1/2″)

管板形式

管平齐

钨极直径(mm)

¢2.4

旋转速度(rpm)

0.6~12

焊炬倾角

0º、7º可换(标配7°)

保护气体

氩气

冷却方式

水冷

冷却流量(ml/min)

≥300

额定电流

100A  暂载率 60%

重  量(kg)

3.65(不含电缆)

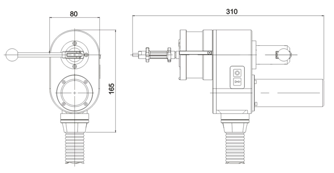
外形尺寸(mm)

310×80×165

技术参数


相关标签:管板焊