管板焊接系统
TPN19 全位置内孔焊枪

销售热线: 0512-57328118

产品概述

该焊枪是专为管子、管板全自动TIG内孔焊接设计的,适用于内孔管板形式的自动化焊接。可焊接碳钢、不锈钢等等各管子/管板接头形式,不填丝。管子内孔直径范围需≥Ø19mm。可与iOrbital5000程控焊接电源配套使用,可精密实现全位置TIG内孔焊接,焊接结果重现性高,可达到理想的焊接效果。主要应用于石化、锅炉、军工和核电等行业。

 


性能特点

  适用于石化行业换热器管板内孔焊;

  可满足小内径Φ19mm管板的焊接;

  定位准确,操作简单方便;

  适用于碳钢、不锈钢等材质焊接;

  可根据用户产品需要专门设计。


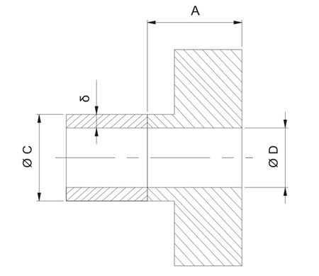
技术参数

可焊材质

碳钢、不锈钢

可焊管径ØD(mm)

≥Φ19

伸进长度A(mm)

20~120

管子壁厚δ(mm)

1~2.5

管板形式

管插接、管平齐

钨极直径(mm)

¢2.4

旋转速度(rpm)

0.37~7.39

弧长调节间距(mm)

15

保护气体

氩气

冷却方式

水冷

冷却流量(ml/min)

≥300

重  量(kg)

11(不含电缆)

外形尺寸(mm)

570×290×510


技术参数


相关标签:管管焊